Graphical Abstract
Metrics
Various Methods of Strengthening Reinforced Concrete Beam-Column Joint Subjected Earthquake-Type Loading Using Fibre-Reinforced Polymers: A Critical Review
Corresponding Author(s) : Ridwan Ridwan
Journal of Applied Materials and Technology,
Vol. 4 No. 2 (2023): March 2023
License
Copyright (c) 2023 Ridwan Ridwan, Yaser Jemaa, Enno Yuniarto

This work is licensed under a Creative Commons Attribution 4.0 International License.
Abstract
Fibre-reinforced polymer (FRP) composites are extensively employed in concrete technology due to their exceptional mechanical strength and durability. They serve a dual purpose, not only reinforcing damaged elements but also supporting heavier service loads and addressing long-term concerns in new infrastructure projects. Consequently, the objective of this review is to establish a comprehensive research database that focuses on evaluating the strengthening behaviour of reinforced concrete (RC) beam-column joints (BCJ) under earthquake loads through diverse types and application methods of FRP composites. The efficacy of these strengthening techniques is assessed by considering factors such as the loading capacity and dissipated energy of RC BCJ versus the joint confinement index provided by the fibre in the joint area. Through this state-of-the-art review, it becomes evident that FRP composites effectively enhanced the normalized load of specimens up to 27 kN/?MPa and enhanced the dissipated energy until 558.6 kN-mm for the case of specimens with a lower confinement index, less than 0.3. Additionally, the specimen strengthened with the deep embedment (DE) method resulted in a moderate normalized load and dissipated energy compared to those strengthened with the external bonded (EB) method. The test results indicated that the average normalized load and dissipated energy of the DE-strengthening method was 93% and 28.5% compared to that of the EB-strengthening method. These findings reveal that FRP composites offer distinct advantages in terms of load capacity and dissipated energy when used for strengthening earthquake-affected RC BCJ. Finally, based on the compilation of the previous works, this research proposes several techniques for utilizing FRP composites to enhance RC BCJ subjected to earthquake load.
Keywords
Full Article
Introduction
The latest wave of big earthquakes in Indonesia (Aceh 2004, Padang 2009 and Cianjur 2022) and many other regions of the world were catastrophic. With the nature of its structures and big population, the Padang earthquake (2009), for example, harmed an estimated 250,000 individuals through the devastation of their houses or businesses [1]. Upon evaluating the collapsed structures, it was discovered that the concrete elements were inadequately designed, and there was a notable absence of shear reinforcement in the connections. This deficiency was observed not only in older buildings but also in structures constructed after the implementation of the Indonesian Code for Building Structures (SNI 2002).
Significant vulnerabilities in pre-1970s reinforced concrete (RC) constructions uncovered by previous earthquakes have been detected [2-4]. An illustration of the structural failure to beam-column joints (BCJ) in standard RC structures struck during the 1999 Kocaeli seismic event demonstrates how the beam and column parts remained functioning, but the BCJs have seriously deteriorated. A deeper look at the BCJ indicates the inadequate anchoring length of the beam reinforcement in the joint region as well as the lack of transverse reinforcement [5,6]. RC building constructions developed before the 1970s are judged inadequately detailed when compared to structures created following contemporary seismic design criteria. Field observations further suggest that BCJ represents one of those most critical elements of construction, commonly prone to shear and/or bond (anchorage) failures, which can lead to partial or whole building collapse.
Several solutions to enhancing the functionality of poorly constructed RC structures have been offered. For almost twenty years, RC jackets have been utilized as a solution for strengthening RC structures [7,8]. The reinforced components, such as beams, columns, and joint regions, were covered in high-performance concrete and additional stirrups, and longitudinal reinforcement bars extended around the joint to improve the column junction where practicable [9]. The RC jacketing approach has been scientifically shown to improve strength, stiffness, and energy dissipation capacity while also transferring failure to the beam [10].
Although this strengthening approach has become the most popular among engineers, it is clear that it requires laborious tasks, which involve drilling into the beams and sawing down the floor slab, and the in-plane bends of the additional stirrups. In addition, Furthermore, modifying the dynamic features of the building itself should require a thorough re-analysis of the entire structure [11]. Another way to enhance the performance of RC components is to employ fibre-reinforced polymer (FRP). They outperform standard construction materials in terms of strength-to-weight ratio. Numerous research studies aimed at improving current RC BCJ have utilised FRP composites. Many of the explained previously substantial restrictions imposed by concrete jacketing are eliminated by this strengthening technology.
As a result, this review will focus on current innovations in strengthening RC BCJ using various FRP retrofitting strategies to increase the shear performances of degraded or new components of the structure. This review will also underline the advantages and drawbacks of each strengthening scheme found in the literature. The particular goal, on the other hand, aims to highlight the load capacity, deformation, and collapse mechanisms of RC BCJ under cyclic loading. Furthermore, an increment factor in the form of a confinement index was introduced to assemble the advantages and disadvantages of all kinds of FRP composite and enhancing techniques.
Fibre-Reinforced Material
Fibres, polymers, and additives are the three primary components of FRP composites. Several chemical agents are used to improve the qualities of FRP materials [12]. These FRP composites feature many advantageous qualities that render them highly suitable for application in various industries, including but not limited to structural and construction, transportation, aviation, and sporting goods.
FRP composites may be created in a broad range of structural shapes, reinforcing bars, as well as textile wraps [12]. FRP composites are made by stacking fibre layers with polymers, soaking and hardening polymer layers together, or attaching several premade laminates. There are three types of FRPs accessible in the market for reinforcing products in terms of fibre material: aramid FRP (AFRP), carbon FRP (CFRP), and glass FRP (GFRP).
Carbon fibres are made by controlled pyrolysis of suitable fibres and contain a minimum of 90% carbon by weight. This kind of fibre is made from one of three precursors (beginning materials), namely polyacrylonitrile (PAN) fibres, cellulosic fibres, and phenolic fibres [12]. Carbon fibres possess several beneficial mechanical characteristics, including a high ratio of tensile strength to weight, a high ratio of tensile Young's modulus to weight, a notably low coefficient of linear thermal expansion, and a high fatigue strength. In the case of CFRP (carbon fibre-reinforced polymer), the fatigue strength remains relatively high, reaching around 60% to 70% of the static ultimate strength even after one million cycles [13].
Factors Influencing the Shear Strength of RC Connections
The factors influencing the shear performance of BCJ are determined based on the type of joint and the failure mechanism orders. Kim and LaFave [14] and Hassan [15] performed in-depth examinations of joint response under cyclic loading, focusing on various factors including the ratio of axial load to bearing capacity of column, compressive strength of concrete, confinement of concrete provided by reinforcement within the joint, reinforcement ratio of the beam, and aspect ratio of the joint. This analysis will specifically delve into the comprehensive investigation of the impact of the three factors previously mentioned.
The Influence of the Axial Load Applied to the Column
The influence of axial load level on the shear strength of RC BCJ is a complex phenomenon due to various factors that affect joint shear resistance. Clyde et al. [16] and Pantelides et al. [17] conducted empirical investigations and stated an increase in joint shear strength with higher axial loads. However, a thorough analytical analysis by Pantazopulouy and Bonacci [18] has indicated that the presence of axial load does not have a significant impact on joint shear strength. Figure 1 presents a graphical representation of the correlation between the axial load ratio and the coefficient of joint shear strength (gj), where j denotes the joint shear stress scaled by the concrete strength. Hassan [15] has developed this graph based on a comprehensive database of 100 unconfined beam-column connection experiments from various literary sources. The study has identified three distinct failure modes: J, BJ, and BCJ. J failure mode occurs before column and beam bars yield precedes the joint failure, while BJ failure arises when the beam bars yield before the joint fails. On the other hand, failure mode BCJ occurs when both the beam and column bars yield before the joint failure takes place.
Figure 1.Figure 1. The influence of the axial load applied to the column [15]
Influence of the Concrete Strength
Figure 2 illustrates the positive influence of concrete strength on the shear stress of joints at Points B and C. Regardless of the joint types and failure modes considered, the joint shear stress is linked to the concrete strength consistently as can be seen at Points B and C. Moreover, higher concrete strength enhances joint resistance by improving the load-carrying capacity of the compression zone in the beam and column and enhancing the bond strength of the beam bars within the joint region.
Figure 2.Figure 2. Influence of concrete strength on joint shear stress observed at Point B [14]
Influence of Joint Reinforcement Confinement
The confinement index of the joint positively affected the shear strength of the joint. The confinement index of the joint was calculated with rsvfyh/fc¢, where rsv is the ratio of the volumetric joint stirrup, fyh is the yield strength of the joint stirrup, and fc' is the concrete strength. Figure 3 illustrates that for external BCJ that fails in the joint, there were correlation coefficients of 0.70 and 0.74 between the proportion of joint stirrup to joint shear stress and strain at Point C, respectively. This indicates that the quantity of joint stirrups affected the shear strength of J-failure exterior joints when the joint and beam bars remained elastic [14]. However, in all other scenarios, there seems to be no relationship between the joint transverse reinforcement index and the joint shear stress.
Figure 3.Figure 3. The significance of confinement on joint shear strength [14]
Strengthening Application for RC Beam-Column Joint using FRP
Ghobarah and Said [19], El-Amoury and Ghobarah [20] and Ghobarah and El-Amoury [21] proposed performance-enhancing approaches to improve RC BCJ constructed before 1970. These methods involved reinforcing the specimens using steel plates and threaded rods that were core-drilled through the joint, combined with different fibre-wrap rehabilitation techniques, with or without mechanical anchoring. Figure 4. (a) and Figure 4. (b) illustrate that the beams with anchoring failed due to flexural hinging, while those without anchoring experienced joint collapse by shear. The findings highlighted the crucial role of FRP anchorage in the effectiveness of FRP-enhancement methods for joints, showcasing how the recommended approach prevented brittle shear failure, improved the bonding necessity, and minimized the deterioration of joint stiffness.
Figure 4.Figure 4. The investigation by Ghobarah and Said [19] on the failure modes of strengthened specimens: (a) the specimen's shear failure mode was repaired using FRP without anchoring; (b) the specimen's ductile failure mode was repaired using FRP, a cover plate, and anchors through the joint
Antonopoulos and Triantafillou [22] conducted an extensive experimental program on FRP-strengthened RC BCJ subjected to cyclic loads. The study involved 18 experiments on 2/3-scale external RC shear-deficient sub-assemblages to evaluate the effectiveness of different strengthening techniques. Several factors, namely the FRP ratio, mechanical anchoring, and the existing joint stirrup were examined for their impact on the performance of the strengthening methods. All specimens had identical size and reinforcement arrangements and were intended to fail by shear, simulating under-design RC BCJ conditions. Two samples had one stirrup in the joint, while the remaining lacked any joint stirrups. Additionally, a transverse beam was constructed on one side of BCJ without a joint stirrup (three out of the sixteen sample population), simulating the confinement effect provided by transverse elements connected at the joint.
Varying fractions of CFRP and GFRP strips and sheets were utilized on the beam and column to repair the specimens. The fraction of FRP reinforcement refers to the ratio of the cross-sectional area of the FRP material to the cross-sectional area of the reinforced member. Figure 5 shows the application of CFRP and GFRP on the structural elements for each specimen. To enhance the bonding properties between the concrete and the FRP materials, the concrete surface was roughened, and debris was vacuumed away. The FRP layout was then marked on the specimen, and the FRP was cut to the required length. Acetone was used to clean the FRP strips, which were then adhered to the concrete surface using epoxy. A plastic roller was employed to ensure sufficient bonding and then the excess epoxy was cleaned from the concrete surface.
Figure 5.Figure 5. Alternatives application of the FRP strengthening scheme by Antonopoulos and Triantafillou [22]
The test report concluded that:
- Specimens with a higher fraction FRP layer had higher load and dissipated energy. However, the enhancement of load and dissipated energy was not equivalent to the addition of FRP as the FRP layer debonded from the concrete surface.
- The utilization of mechanical anchorages enhanced the capability of the FRP used in the strengthening scheme.
- As the ratio of transverse reinforcement in the joint was reduced, the efficacy of the FRP improved.
- Flexible FRP sheets outperformed strips in terms of effectiveness.
Except for the specimens with mechanical anchorage, debonding had a negative impact on the performance. In the case of specimens S33 and S63, debonding of the FRPs initiated at the beam face and gradually progressed as the loads increased, eventually resulting in debonding of the column FRP strips.
Tsonos [8] experimentally compared the efficacy of external joint strengthening with the jacketing method using concrete and CFRP layers. External joint samples were intentionally manufactured with inadequate design criteria, such as the absence of stirrups in the joint and stirrups of the lower column were less than required in the building code. The author designed the specimen according to the Greek Code for the Design of Reinforced Concrete Structures (C.D.C.S., 2000), Eurocode 2-2003 and Eurocode 8-2004.
For specimens strengthened with the concrete jacketing scheme, new stirrups were placed in the joint and the lower column. Subsequently, cement was grouted on both sides of the joint and column. The original specimen's concrete cover was removed and the surface was roughened using sandblasting so that the new and old concrete bonded perfectly.
The concrete surfaces were smoothed and rounded and then prepared for FRP strengthening by grinding. The installation of CFRP sheets followed a specific sequence: ten layers were applied in the joint area parallel to the beam's axis, CFRP strips were inserted for anchorage, an opening was created in the slab near the joint for additional CFRP layers around the beam, seven layers were wrapped around the column for increased shear capacity, and nine layers were applied to opposing column faces to enhance flexural strength (Figure 6).
The test results suggest that concrete jacketing is more effective for post-earthquake affected structures, while both approaches showed equal benefits for pre-earthquake strengthening schemes. Additionally, the study by Tsonos [8] proposed a useful way to calculate the ultimate shear strength of FRP-retrofitted RC joints based on the concept of confinement.
Figure 6.Figure 6. FRP jacketing strengthening schemes [8]
Karayannis and Sirkelis [11] utilized CFRP and epoxy resin to enhance the behaviour of external RC connections. The initial samples were categorized into two groups: Group A, consisting of samples with no joint stirrups, and Group B representing RC connections with joint stirrups. Within each group, two specimens were subjected to moderate cyclic loads and then each damaged sample was repaired by filling the crack with resin and the other sample was wrapped with CFRP sheets. The third specimen in each group was strengthened with CFRP sheets before being subjected to any loads. The CFRP sheets were applied to reinforce the critical sections of the column, beam, and joint body, as depicted in Figure 7.
The proposed strengthening approach exhibited substantial improvements in the ability to withstand load, dissipated energy, and ductility, effectively shifting the failure mechanism from shear to flexure. Experimental results revealed that repairing the damaged joint through epoxy injection allowed for the recovery of the structure after experiencing extensive damage due to seismic events. Moreover, the load and dissipated energy provided by repaired samples surpassed those of the control specimen. The tests also highlighted the significance of joint reinforcement in determining the contribution of CFRP to shear strength.
Figure 7.Figure 7. The efficacy of a CFRP sheet strengthening scheme examined by Karayannis and Sirkelis [11]
In their study, Alsayet et al., [23] examined the efficacy of CFRP layers to improve the shear strength and ductility of seismically vulnerable external joints. The researchers constructed four specimens to replicate construction practices that did not meet pre-seismic code requirements, specifically lacking sufficient shear strength and transverse reinforcement. Among the specimens, two were left untreated as control samples, while the other two underwent strengthening using CFRP sheets in different ways. In the first configuration, CFRP layers were applied to cover the beam, joint body, and a portion of the columns (Figure 8 (a)). The second configuration focused on enclosing the beam-column connection with CFRP layers, reinforced with steel plates as mechanical anchors to prevent delamination (Figure 8 (b)). All sub-assemblies were subjected to reversal cyclic loads and the static load on the column was given equivalent to 20% of its axial capacity. The results highlighted the significant enhancement of shear strength and deformation capacity in beam-column joints through externally bonded CFRP sheets. The success of the strengthening approach was found to be influenced by the method of CFRP sheet installation and the presence or absence of mechanical anchoring.
Figure 8.Figure 8. Illustrations of the CFRP application in the strengthened specimen [23]: (a) Depiction of the first scheme; (b) Depiction of the second scheme.
Figure 9.Figure 9. The failure mode observed in the strengthened specimen following the test [23]: (a) Rupture and detachment of the repaired joint's ER1 sheet; (b) Failure of the beam in the repaired joint ER2.
The effectiveness of strengthening scheme #1 was evident as it improved the strength of both the joint and beam. However, without mechanical anchoring, delamination of the CFRP sheets occurred at higher load levels (Figure 9 (a)). On the other hand, strengthening scheme #2 proved to be more efficient by using CFRP sheets in a limited manner, but with the added benefit of mechanical anchoring to prevent delamination (Figure 9 (b)).
Ilki, Bedirhanoglu and Kumbasar [24] conducted research on the behaviour of connections strengthened with FRP in the presence of smooth bars and low-strength concrete. Two groups of eight full-scale exterior connections were constructed with no stirrups in the joint. The elements of structures, namely longitudinal beam, transverse beam, column and slab, were included in the samples. The samples were subjected to the combination of reversal load on the beam end and static load on the column. The strengthening strategy and FRP installation are depicted in Figure 10. Two FRP sheets were utilized: the first formed a square shape around the joint core, while the second was diagonally positioned on top of piece 1 to ensure adequate anchoring. It was observed that using FRP sheets alone did not effectively prevent longitudinal bar slippage in the beam. Moreover, significant strength reduction appeared in the samples retrofitted with FRP layers and anchor bars.
Figure 10.Figure 10. Strengthening application [24]
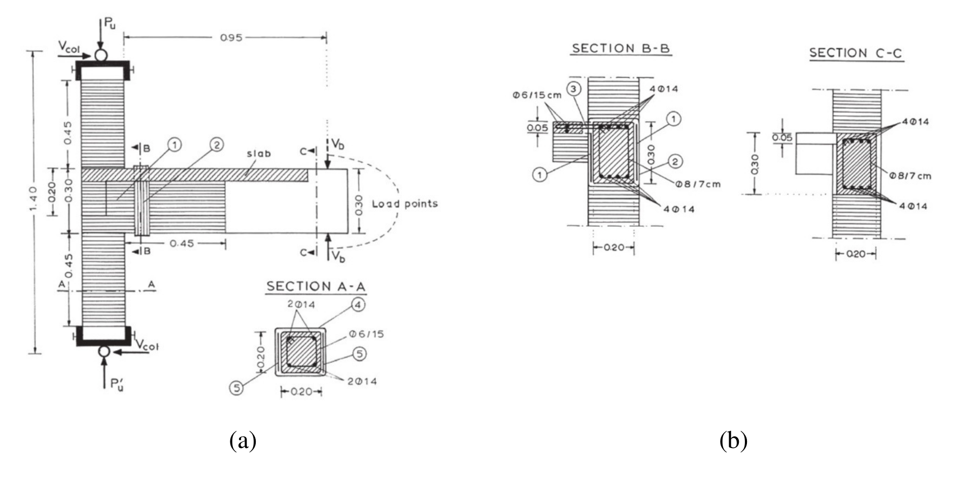
Ridwan et al. [25] proposed an innovative method to enhance the strength of shear-deficient RC BCJs by incorporating carbon fibre-reinforced polymer (CFRP) into the joint core. They constructed three external RC BCJ samples: BCJ-CS-A as the control sample, and BCJ-SS-F4 and BCJ-SS-F8 as the strengthened samples. These samples were constructed so that they had insufficient joint stirrup to replicate RC BCJs constructed before the 1980s. The researchers varied the number of inserted bars to investigate the impact of the ratio of the joint stirrup. For the top and bottom longitudinal reinforcement, all beams were equipped with three 16 mm deformed steel bars. These beam bars were bent into the area of the joint and extended to a length of 12 times the bar diameter, resembling design practices in developing countries [26]. The longitudinal reinforcement consisted of eight 16 mm deformed steel bars, while eight mm stirrups were utilized for shear reinforcement.
Before concrete pouring, the joint core was prepared by drilling holes to accommodate the embedded bars. 10 mm acrylic rods were strategically positioned within the joint cage at the designated locations. After one day of casting, the acrylic rods were extracted from the concrete. Subsequently, the pre-made holes were drilled using a 12 mm bit and thoroughly cleaned using a wire brush and compressed air to eliminate any cement or aggregate residues. This method ensured that the holes possessed rough surfaces, facilitating improved bonding between the concrete and the inserted bars. Two-thirds of the holes were then filled with epoxy resin. The embedded bars were coated with a thin layer of adhesive and inserted into the prepared holes, and the remaining epoxy was cleaned.Before concrete pouring, the joint core was prepared by drilling holes to accommodate the embedded bars. 10 mm acrylic rods were strategically positioned within the joint cage at the designated locations. After one day of casting, the acrylic rods were extracted from the concrete. Subsequently, the pre-made holes were drilled using a 12 mm bit and thoroughly cleaned using a wire brush and compressed air to eliminate any cement or aggregate residues. This method ensured that the holes possessed rough surfaces, facilitating improved bonding between the concrete and the inserted bars. Two-thirds of the holes were then filled with epoxy resin. The embedded bars were coated with a thin layer of adhesive and inserted into the prepared holes, and the remaining epoxy was cleaned.
The findings of the tests demonstrated that the strengthened samples exhibited reduced damage and enhanced load and deformation capacity when compared to the control sample. Specifically, the strengthened samples displayed improvements in joint shear strength at peak load, with an increase of 21.6% and 17.6% compared to the control sample. Additionally, the strengthened specimens exhibited higher energy dissipation capabilities, surpassing those of the control sample by 18.1% and 42.6% respectively.
Discussion of Joint Strengthening Database
Table 1 provides an overview of the behaviours exhibited by RC BCJs strengthened using different types and methods of FRP composites. In general, the RC-strengthened BCJs showed significant improvements in load capacity and dissipation energy compared to the control specimens, with the extent of enhancement depending on the specific FRP types and strengthening techniques employed. In the case of FRP joint rehabilitation systems, ensuring proper anchoring of the FRP edges is crucial due to the limited joint area and the need to enhance fibre strength [19]. Effective anchoring of the FRP also plays a vital role in confining the joint. In some instances, the use of U-shaped steel plates has been recommended to limit the debonding of GFRP from the concrete surface [20]. Furthermore, the reinforcement of beam bars lacking adequate anchorage can be achieved by attaching CFRP sheets to the underside of the beam [21].
| BCJ dimension (mm) | Specimen designation | Joint stirrup | Type of FRP and bonding agents | Strengthening application | Strengthening behaviour | Failure Mode | Reference |
| Column: 250x400x3000 Beam: 250x400x1750 | T1R, T2R, T4, T9 | Not available | EB-GFRP sheet, anchoring system (steel plate and threaded rod) | T1R: The specimen T1, which was repaired after the control test, was rehabilitated by adding one bi-directional "U" shaped GFRP sheet of the same height as the joint. Cover plates and anchors were also installed through the joint. T2R: The specimen T2, repaired after the control test, was rehabilitated by adding two "U" shaped GFRP layers that extended above and below the joint. Cover plates and anchors were installed through the joint. T4: This specimen was rehabilitated using one bi-directional "U" shaped GFRP sheet, similar to T1R but without cover plates and anchors through the joint. T9: The rehabilitation of this specimen involved the addition of three diagonal GFRP layers. | T1R: Partial detachment of the GFRP was observed, followed by complete separation from the sides of the column. T2R: no GFRP debonding was observed T4: GFRP debonding T9: GFRP debonding | T1R: The beam exhibited a flexural plastic hinge. T2R: No shear cracking occurred in the joint region. The failure was attributed to ductile plastic flexural hinging in the beam. T4: joint shear cracking T9: Joint shear failure | Ghobarah and Said [19] |
| Column: 250x400x3000 Beam: 250x400x1750 | T0, TR1, TR2 | Not available | EB-GFRP sheet | TR1: The bottom face of the beam was reinforced with four unidirectional glass fiber sheets. TR2: The bottom face of the beam was reinforced with eight unidirectional glass fiber sheets along with U-shaped steel plates measuring 3 mm in thickness. | TR1 : GFRP debonded from the concrete surface TR2: The GFRP debonding from the concrete surface is prevented by the presence of U-shaped steel plates. | TR1: The GFRP sheets were fully separated and detached from both the beam and column surfaces in specimen TR1. TR2: The ultimate failure mode observed in specimen TR2 was attributed to joint shear. In general, the joint performance of TR2 exhibited higher ductility compared to the control specimen, T0. | El-Amoury and Ghobarah [20] |
| Column: 250x400x3000 Beam: 250x400x1750 | T-B10, T-B12, T-B11 T-SB3, T-SB8, T-SB7 | No stirrups in joint for T-SB3, T-SB8, T-SB7 | CFRP sheet + anchoring system | T-B12 : two CFRP sheets + steel angle anchoring system T-B11 : four CFRP sheets + concrete haunch + curved plate anchoring system T-SB8 : Epoxy mortar + two GFRP sheets T-SB7 : three GFRP sheets + anchoring system | T-B12: The GFRP sheets experienced debonding from the concrete surface and fracture at the beam-column corner caused by the steel angle. T-B11: The GFRP sheets did not exhibit any peeling off or debonding due to the effective anchoring system. T-SB8: The threaded rods installed in the specimen lost their functionality due to shear failure occurring between the new and old concrete. T-SB7: No debonding of the GFRP sheets was observed in this case. | T-B12 : FRP debonding T-B11 : Beam hinging T-SB8: Shear failure occurred in the rehabilitated section. T-SB7: The rehab rods fractured in this case. | Ghobarah and El-Amoury [21] |
| Column: 200x200x1300 Beam: 200x300x1000 | C1 and C2 | no stirrups in the joint | CFRP strips + epoxy | S33 had three carbon strips positioned on each side of the beam and three carbon strips placed on each side of the column. S63 had six carbon strips installed on each side of the beam and three carbon strips placed on each side of the column. S33L was similar to S33 in configuration, but it incorporated L-shaped mechanical anchors. F11 consisted of one layer of flexible sheet and one layer of U-shaped sheet. F22 shared the same composition as F11, but it had two layers of sheets applied to both the beam and the column. (Additional information can be found in the referenced paper.) | S33 and S63: The debonding of the beam strips in the joint led to the initiation of debonding in the column strips. F11: Debonding occurred near the corners of the joint, and there was partial fracture of the column FRP. F22: Debonding progressed similarly to F11, but there was no fracture observed in the FRP sheet of the column. F21: Complete debonding of both the beam and the column FRP occurred on one side. (For more detailed information, please refer to the paper.) | Antonopoulos and Triantafillou [22] | |
| Column: 200x200x1400 Beam: 200x300x1050 | FRPF1, FRPS1 | no stirrups in the joint | EB CFRP | FRPF1 and FRPS1: The joint was reinforced with ten layers of CFRP sheets, each measuring 250 mm in width, along with strip CFRP used as anchorage. | FRPF1 and FRPS1: A plastic hinge was observed to form in the beam close to the junction with the column. | Tsonos [8] | |
| Column: 200x200x1800 Beam: 200x300x1100 | A2R, A3, B2R, B3 | Group A: no stirrups in the joint | EB CFRP | A2R and B2R: epoxy resin + CFRP sheets A3 and B3: CFRP sheets B4: Only the critical region of the beam was reinforced with CFRP sheets. | A2R: Cracking occurred in the CFRP sheets placed in the joint area. A3: The CFRP sheets in the joint area experienced failure. B2R: No damage was observed in the CFRP. B3: No damage was observed in the CFRP. B4: No damage was observed in the CFRP. | A2R: A plastic hinge developed in the body of the beam. A3: A plastic hinge formed in the beam body. B2R: A plastic hinge formed in the beam body. B3: A plastic hinge formed in the beam body. B4: Cracks emerged in the region of the beam. | Karayannis and Sirkelis [11] |
| Column: 160x300x1450 Beam: 160x350x1000 | ES1, ES2 | no stirrups in the joint | EB CFRP | ES1: The joint area, beam, and column were reinforced with a single layer of CFRP sheets. ES2: A single layer of CFRP sheets, along with an anchoring system, was employed in the joint area. | ES1: debonding of externally bonded CFRP sheets occur ES2: debonding prevented through mechanical anchorages | ES1: beam’s failure ES2: shear failure of the joint was delayed | Alsayet et al., [23] |
| Column: 250x500x3000 Beam: 250x500x1360 | JC-F-3, JWC-F-3, JWC-D-2, JWC-D-5, JWCP-D | no stirrups in the joint | EB CFRP | JC-F-3: Three plies of CFRP sheets, oriented at a 45° angle, were applied to the entire surface. JWC-F-3: Three plies of CFRP sheets, oriented at a 45° angle, were applied to the entire surface. JWC-D-2: Two plies of CFRP sheets, measuring 200 mm, were used as diagonal strips. (Detailed information can be found in the paper.) | JC-F-3, JWC-D-2, JWCP-D: The CFRP sheets experienced fracture at the column's anchorage. JWC-D-5: No damage to the CFRP sheets was observed. | Ilki, Bedirhanoglu and Kumbasar [24] | |
| 200x300x2300 Beam: 200x300x1350 | BCJ-SS-F4, BCJ-SS-F8 | 1 stirrup in the joint | DE CFRP bar | BCJ-SS-F4: 4 CFRP bars embedded in the joint core BCJ-SS-F8: 8 CFRP bars embedded in the joint core | BCJ-SS-F4: Hinging of the beam and joint shear failure were observed. BCJ-SS-F8: Hinging of the beam and joint shear failure occurred. | Ridwan et al. [25] |
Nevertheless, when comparing the results, it was observed that U-wrapped beams demonstrated the highest flexural load capacities, followed by beams strengthened only at the bottom, and finally by beams strengthened at the sides. This discrepancy can be attributed to the differences in the centroid depth of the sheets, which affect the moment arm. To summarize, the improvement in flexural load capacity is heavily influenced by factors such as the type of FRP, bonded area, application methods, and specific locations.
Experimental investigations on various strategies for strengthening BCJs, including the utilization of externally bonded FRPs, have demonstrated a recurring occurrence of FRP debonding followed by rupture or fracture during subsequent loadings. This phenomenon can be attributed to the relatively limited tensile strength of the concrete surface, which restricts the bond strength between the FRP and the concrete [27]. Findings indicate that non-anchored EB or NSM FRP reinforcement often experiences debonding at stress levels ranging from 20% to 30% of the FRPs' ultimate tensile strength [28], thereby significantly compromising their effectiveness and leading to underutilization. Proper surface preparation of the concrete substrate is of utmost importance in ensuring the successful application of FRPs, with the adhesive application requiring expertise. Furthermore, protective measures should be implemented to safeguard the exposed FRP against vandalism and fire hazards. When selecting an appropriate strengthening strategy, it is essential to consider potential drawbacks such as delamination failure, inadequate surface preparation, and exposed FRPs.
Fibre Strengthening Confinement Index in the Joint
To examine the positive effects of transverse reinforcement on the shear resistance of RC joints, Bonacci and Pantazopoulou [29] introduced a concept known as the joint confinement index. This index is defined as the multiplication of the volumetric ratio of transverse reinforcement in the joint (specific to the loading direction) and the yield stress of the transverse reinforcement, divided by the compressive strength of the concrete. Similarly, this study adopted a similar approach to investigate the impact of fibre reinforcement on joint shear behaviour. The entire volume of fibre reinforcement material within the joint (positioned between the top and bottom reinforcement of the beam) was divided by the product of the column width, column depth, and the spacing between the top and bottom beam reinforcement. This calculation yielded the volumetric ratio of fibre reinforcement in the joint. Furthermore, the combination of a specific fibre ratio and the effective stress of the fibre was normalized by the compressive strength of the concrete, resulting in the fibre confinement index (referred to as \( JI,F \)). In this study, the fibre confinement index ranged from 0.021 to 0.696.
\begin{equation} JI,F= \rho _{F}\times \frac{E_{F\times \epsilon _{F}}}{f_{c}^{'}} \tag{1} \end{equation}
Where \( \rho _{F}\) is fibre strengthening ratio in the joint area, \( E_{F}\) is modulus of elasticity of the fibre, \( \epsilon _{F}\) is effective strain of the fibre and \( f_{c}^{'}\) is the concrete strength.
Effect of Fibre Confinement Index on Maximum Load
Figure 11 illustrates the load versus confinement relationship of the joint fibre reinforcement, normalized for experimental purposes. The findings suggest that the load behaviour is moderately affected by the confinement provided by the fibre reinforcement within the joint. For specimens with a lower confinement index (\( JI,F \) ≤ 0.3), the normalized load varied between 6 and 27 kN/\( \sqrt{MPa} \). On the other hand, the specimens with a high confinement index (\( JI,F \) > 0.3) had an average normalized load of 18 kN/\( \sqrt{MPa} \).
Figure 11.Figure 11. Influence of fibre confinement index to maximum load
Moreover, Table 2 and Figure 11 provide an explanation that as the axial load on the column increases, the specimens exhibit higher maximum loads. Specimens tested by Ghobarah and Said [19], El-Amoury and Ghobarah [20] and Ghobarah and El-Amoury [21] experienced five times greater axial loads compared to the average load applied to the other specimens. Consequently, the average normalized load at failure for these specimens was 1.9 times higher than the average load of the remaining specimens.
| Specimen | fc’ (MPa) | Joint stirrup | Transverse beam+slab | Mechanical Anchorage | Load (kN) | Dissipation Energy (kN-m) | Reference |
| T4 | 25.0 | 0 | N | N | 115.76 | 36.15 | Ghobarah and Said [19] |
| T9 | 25.0 | 0 | N | Y | 129.65 | 184.46 | |
| TR1 | 43.5 | 0 | N | Y | 121.68 | 59.45 | El-Amoury and Ghobarah [20] |
| TR2 | 39.5 | 0 | N | Y | 125.44 | 229.41 | |
| T-SB8 | 30.0 | 0 | N | Y | 152.00 | 167.14 | Ghobarah and El-Amoury [21] |
| T-SB7 | 30.0 | 0 | N | Y | 127.90 | 558.64 | |
| S33 | 26.0 | N | N | 35.28 | N/A | Antonopoulos and Triantafillou [22] | |
| S63 | 24.2 | 0 | N | N | 40.24 | 11.07 | |
| S33L | 26.3 | 0 | N | Y | 40.40 | 11.56 | |
| F11 | 22.8 | 0 | N | N | 42.44 | 11.77 | |
| F22 | 27.2 | 0 | N | N | 49.14 | 12.91 | |
| F21 | 27.0 | 0 | N | N | 50.29 | 13.10 | |
| F12 | 29.5 | 0 | N | N | 44.40 | 11.78 | |
| F22A | 27.8 | 0 | N | N | 52.56 | 14.49 | |
| F22W | 29.2 | 0 | N | Y | 54.89 | 14.63 | |
| F22in | 21.0 | 0 | N | N | 41.59 | 10.26 | |
| GL | 19.5 | 0 | N | N | 43.04 | 12.78 | |
| S-F22 | 19.0 | 1D8 | N | N | 43.23 | 11.72 | |
| FRPF1 | 22.0 | 0 | N | Y | 80.76 | 20.57 | Tsonos [8] |
| FRPS1 | 21.8 | 0 | N | Y | 87.23 | 12.54 | |
| A2R | 36.4 | 0 | N | N | 40.50 | 3.75 | Karayannis and Sirkelis [11] |
| A3 | 36.4 | 0 | N | N | 40.00 | 3.44 | |
| B2R | 36.4 | 4D8 | N | N | 39.50 | 3.93 | |
| B3 | 36.4 | 4D8 | N | N | 40.50 | 4.33 | |
| ES1 | 30.0 | 0 | N | N | 62.34 | N/A | Alsayet et al., [23] |
| ES2 | 30.0 | 0 | N | Y | 58.11 | N/A | |
| JC-F-3 | 15.0 | 0 | Y | N | 64.10 | 22.03 | Ilki, Bedirhanoglu and Kumbasar [24] |
| JWC-F-3 | 15.0 | 0 | Y | N | 91.40 | 30.59 | |
| JWC-D-2 | 15.0 | 0 | Y | N | 89.70 | 26.00 | |
| JWC-D-5 | 15.0 | 0 | Y | N | 80.80 | 29.70 | |
| JWCP-D | 15.0 | 0 | Y | N | 89.00 | 25.52 | |
| BCJ-SS-F4 | 32.0 | 1D8 | N | N | 71.19 | 13.62 | Ridwan et al. [25] |
| BCJ-SS-F8 | 25.0 | 1D8 | N | N | 68.63 | 16.45 |
In addition, the specimen strengthened with the deep embedment (DE) method [25] resulted in a moderate normalized load compared to those strengthened with the external bonded (EB) method. The test results showed that the average normalized load of the DE-strengthening method was 93% of that of the EB-strengthening method.
Effect of Fibre Confinement Index on Dissipation Energy
Figure 12 depicts the relationship between dissipated energy and the fibre confinement index at the joint. The findings suggest that the dissipated energy is somewhat influenced by the fibre reinforcement’s confinement at the joint. For specimens with a lower confinement index (\( JI,F \) ≤ 0.3), the dissipated energy ranged from 3.5 and 558.6 kN-mm. Conversely, the specimens with a high confinement index (\( JI,F \) > 0.3) exhibited an average energy of 16.55 kN-mm.
Figure 12.Figure 12. Influence of fibre confinement index to dissipation energy
Additionally, Table 2 and Figure 12 elucidate that the axial load exerted on the column had a beneficial effect on the dissipated energy of the specimens. Specimens tested by Ghobarah and Said [19], El-Amoury and Ghobarah [20] and Ghobarah and El-Amoury [21] experienced five times greater axial loads compared to the average load applied to the other specimens. Consequently, these specimens demonstrated a remarkable 14.2-fold increase in their dissipated energy.
Furthermore, the specimens strengthened using the DE method [25] also demonstrated moderate dissipated energy compared to those strengthened with the EB method. The test results revealed that the DE-strengthening method achieved an average normalized load of 28.5% compared to the EB-strengthening method.
Conclusions
The following conclusions are derived from the comprehensive examination of prior research studies conducted on the behaviours of RC BCJ with different configurations and types of FRP composites.
- Most of the specimens strengthened with EB scheme experienced FRP debonding, which was later followed by rupture or fracture of the FRP during subsequent loading stages. This occurrence can be attributed to the concrete surface's relatively low tensile strength in areas where externally bonded FRPs are applied, leading to limited bonding strength between the FRP and the concrete. On the other hand, specimens strengthened with the DE scheme experienced enhanced behaviour since the load was directly transferred to the embedded bars in the joint core.
- The effectiveness of FRP composites in enhancing the normalized load of specimens is demonstrated, with improvements observed up to 27 kN/\( \sqrt{MPa} \) and the dissipated energy increased significantly, reaching a value of 558.6 kN-mm, particularly in the case of specimens exhibiting a lower confinement index (\( JI,F \) ≤ 0.3).
- The specimens that underwent strengthening using the DE method exhibited a moderate normalized load and dissipated energy, as opposed to those specimens strengthened using the EB method. The test results revealed that, on average, the DE-strengthening method achieved 93% of the normalized load and 28.5% of the dissipated energy compared to the EB-strengthening method.
References
- Griffith M C, Ingham J M, Weller R. Earthquake Reconnaissance: Forensic Engineering on an Urban Scale. Australian Journal of Structural Engineering. 2010; 11(1)DOI
- Faison Heidi , Comartin Craig D. , Elwood Kenneth . Reinforced Concrete Moment Frame Building without Seismic Details. 2004.
- Ricci Paolo, De Luca Flavia, Verderame Gerardo Mario. 6th April 2009 L’Aquila earthquake, Italy: reinforced concrete building performance. Bulletin of Earthquake Engineering. 2010; 9(1)DOI
- Decanini Luis D., De Sortis Adriano, Goretti Agostino, Liberatore Laura, Mollaioli Fabrizio, Bazzurro Paolo. Performance of Reinforced Concrete Buildings during the 2002 Molise, Italy, Earthquake. Earthquake Spectra. 2004; 20(1_suppl)DOI
- Sezen H, Whittaker A.S, Elwood K.J, Mosalam K.M. Performance of reinforced concrete buildings during the August 17, 1999 Kocaeli, Turkey earthquake, and seismic design and construction practise in Turkey. Engineering Structures. 2003; 25(1)DOI
- Murat Ozturk. Field Reconnaissance of the October 23, 2011, Van, Turkey, Earthquake: Lessons from Structural Damages. Journal of Performance of Constructed Facilities. 2015; 29(5)DOI
- Ruiz-Pinilla Joaquín G., Cladera Antoni, Pallarés Francisco J., Calderón Pedro A., Adam Jose M.. Joint strengthening by external bars on RC beam-column joints. Journal of Building Engineering. 2022; 45DOI
- Tsonos Alexander G.. Effectiveness of CFRP-jackets and RC-jackets in post-earthquake and pre-earthquake retrofitting of beam–column subassemblages. Engineering Structures. 2008; 30(3)DOI
- Dritsos Stephanos E.. Seismic retrofit of buildings. Bulletin of the New Zealand Society for Earthquake Engineering. 2005; 38(3)DOI
- Tsonos A. G. . Lateral Load Response of Strengthened Reinforced Concrete Beam-to-Column Joints. ACI Structural Journal. 1999; 96(1)DOI
- Karayannis Chris G., Sirkelis George M.. Strengthening and rehabilitation of RC beam–column joints using carbon-FRP jacketing and epoxy resin injection. Earthquake Engineering & Structural Dynamics. 2008; 37(5)DOI
- GangaRao Hota V.S. , Taly Narendra , Vijay P. V. . Reinforced Concrete Design with FRP Composites. CRC Press: Boca Raton; 2006. DOI
- Rasheed Hayder A. . Strengthening Design of Reinforced Concrete with FRP. CRC Press: Boca Raton; 2014. DOI
- Kim Jaehong, LaFave James M.. Key influence parameters for the joint shear behaviour of reinforced concrete (RC) beam–column connections. Engineering Structures. 2007; 29(10)DOI
- Hassan Wael Mohamed . Analytical and Experimental Assessment of Seismic Vulnerability of Beam-Column Joints without Transverse Reinforcement in Concrete Buildings. 2011.
- Clyde Chandra , Pantelides Chris P. , Reaveley Lawrence D. . Performance-Based Evaluation of Exterior Reinforced Concrete Building Joints for Seismic Excitation. 2000.
- Pantelides Chris P., Clyde Chandra, Reaveley Lawrence D.. Performance-Based Evaluation of Reinforced Concrete Building Exterior Joints for Seismic Excitation. Earthquake Spectra. 2002; 18(3)DOI
- Pantazopoulou Stavroula , Bonacci John . Consideration of Questions about Beam-Column Joints. ACI Structural Journal. 1993; 89(1)DOI
- Ghobarah Ahmed, Said A.. Shear strengthening of beam-column joints. Engineering Structures. 2002; 24(7)DOI
- El-Amoury T, Ghobarah A. Seismic rehabilitation of beam–column joint using GFRP sheets. Engineering Structures. 2002; 24(11)DOI
- Ghobarah A., El-Amoury T.. Seismic Rehabilitation of Deficient Exterior Concrete Frame Joints. Journal of Composites for Construction. 2005; 9(5)DOI
- Antonopoulos Costas P., Triantafillou Thanasis C.. Experimental Investigation of FRP-Strengthened RC Beam-Column Joints. Journal of Composites for Construction. 2003; 7(1)DOI
- Alsayed Saleh H., Al-Salloum Yousef A., Almusallam Tarek H., Siddiqui Nadeem A.. Seismic Response of FRP-Upgraded Exterior RC Beam-Column Joints. Journal of Composites for Construction. 2010; 14(2)DOI
- Ilki Alper, Bedirhanoglu Idris, Kumbasar Nahit. Behavior of FRP-Retrofitted Joints Built with Plain Bars and Low-Strength Concrete. Journal of Composites for Construction. 2011; 15(3)DOI
- Rahman Ridwan, Dirar Samir, Jemaa Yaser, Theofanous Marios, Elshafie Mohammed. Experimental Behavior and Design of Exterior Reinforced Concrete Beam-Column Joints Strengthened with Embedded Bars. Journal of Composites for Construction. 2018; 22(6)DOI
- Garcia Reyes, Jemaa Yaser, Helal Yasser, Guadagnini Maurizio, Pilakoutas Kypros. Seismic Strengthening of Severely Damaged Beam-Column RC Joints Using CFRP. Journal of Composites for Construction. 2014; 18(2)DOI
- Mofidi Amir, Chaallal Omar. Shear Strengthening of RC Beams with EB FRP: Influencing Factors and Conceptual Debonding Model. Journal of Composites for Construction. 2011; 15(1)DOI
- Dirar Samir , Lees Janet M. , Morley Chris T. . Precracked Reinforced Concrete T-Beams Repaired in Shear with Prestressed Carbon Fiber-Reinforced Polymer Straps. ACI Structural Journal. 2013; 110(5)DOI
- Bonacci John , Pantazoupoulou Stavroula . Parametric Investigation of Joint Mechanics. ACI Structural Journal. 1993; 90(1)DOI
Download Citation
Endnote/Zotero/Mendeley (RIS)BibTeX